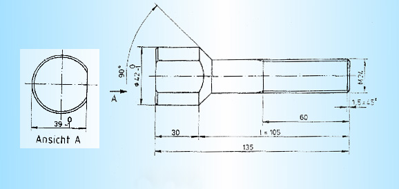
Désignation : VIS FRAISEE CYLINDRIQUE M24

Norme / plan :

Diamètre : M 24

Longueur : 135 mm

Acier (*) : classe 5.6 / 8.8

Finition (*) : Brute - A4G - A4H - galva à chaud - dacromet 500 B- Zingage Lanthane (sans Cr6) - Zingage Lanthane renforcé (sans Cr6)

(*) à préciser lors de la demande de prix

VIS FRAISÉE CYLINDRIQUE M24

© 2017 VISSAL MANUFACTURING - Copyright - GROUPE